
Wxq Xq 六角ソケットスクリューセット 工業 M2ステンレス鋼カップヘッド六角ボルトねじナット詰め合わせキット 建設ファスナー用ボックス210pcs 販売

2002 276637号 耐遅れ破壊特性に優れた高力ボルト及びその鋼材 Astamuse

Uxcell 六角ラグネジ 六角ボルト 304ステンレス鋼 半ねじセルフタッピングボルト 木ネジ用 Mm M8 X 35 10個 当店一番人気


ステンレス鋼製ねじの強度区分
Nipponsteel Com

国産ステンレスボルト ステンレスナット製造 光精工株式会社

国産ステンレスボルト ステンレスナット製造 光精工株式会社

六角ボルト 企業16社の製品とランキング Ipros

自社在庫品 お得クーポン発行中 10 9 六角ボルト 全ねじ m22x50 25本 6角 八幡ねじ 6カク ネジ Nut Bolt

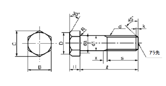
本体規格 新jis 附属書 旧jis について プロスパー洸洋株式会社

建設関連製品 ステンレス鋼高力六角ボルト 製品カタログ 帝国製鋲 イプロスものづくり
Tags:
Archive